
主要特点:
采用MEMS工艺、半导体材料
尺寸小、功耗低、灵敏度高、分辨率高、响应恢复快
驱动电路简单、稳定性好、寿命长、结构坚固、抗震性好
技术参数
产品型号
SMD1007
产品类型
MEMS半导体传感器
标准封装
陶瓷封装
检测气体
硫化氢(H2S)
检测浓度
0~3ppm(H2S)
分辨率
0.01ppm
标准电路条件
回路电压
VC
5V or 3.3V DC
加热电压
VH
1.8V±0.05V DC
负载电阻
RL
可调(以出货报告为准)
标准测试条件下气敏元件特性
加热电阻
RH
45Ω±5Ω(室温)
加热功耗
PH
≤36mW
敏感体电阻
RS
10KΩ~100KΩ
灵敏度
S
Rs(in air)/Rs(in 0.4ppm H2S)≥2
斜率
α
≤0.5(R 1ppm/R 0.2ppm
H2S)
标准测试条件
温度、湿度
20℃±2℃;55%±5%RH
标准测试电路
VC: 5Vor3.3V±0.1V;
VH:1.8V±0.05V
预热时间
3-5分钟
相应时间(T90)
<30s
恢复时间(T10)
<60s
寿命
≥3年
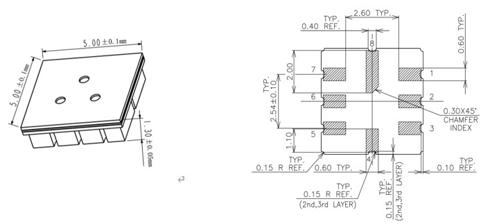
模组尺寸:

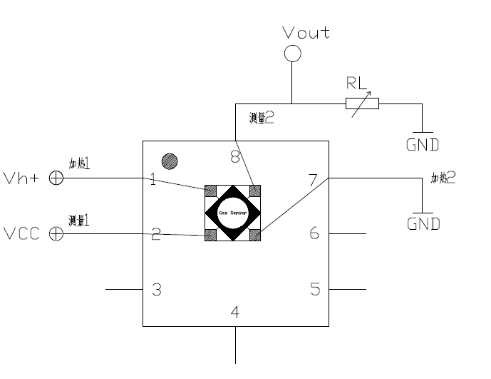
基本电路

管脚定义
|
Terminal Functions |
||
|
NO. |
NAME |
DESCRIPTION |
|
1 |
HOT |
Heater |
|
2 |
RS1 |
Sensor electrode |
|
3 |
NG |
/ |
|
4 |
NG |
/ |
|
5 |
NG |
/ |
|
6 |
NG |
/ |
|
7 |
HOT |
Heater |
|
8 |
RS1 |
Sensor electrode |
(响应恢复曲线)
传感器暴露在高浓度的腐蚀性气体(如SOX,Cl2,HCl 等)中,不仅会引起加热材料及传感器引线的腐蚀或破坏,并会引起敏感材料性能发生不可逆的劣变。
1.3 碱、碱金属盐、卤素的污染
传感器被碱金属尤其是盐水喷雾污染后,或暴露在卤素如氟利昂中,也会引起性能劣变。
1.4 接触到水
溅上水或浸到水中会造成传感器敏感特性下降。
1.5 结冰
水在传感器敏感材料表面结冰会导致敏感层碎裂而丧失敏感特性。
1.6 施加电压过高
如果给传感器或加热器施加的电压高于规定值,即使传感器没有受到物理损坏或破坏,也会造成引线和/或加热器损坏,并引起传感器敏感特性下降。
1.7 电压加错管脚
如果给传感器或加热和信号管脚电压加错,也会造成引线和/或加热器损坏,并引起传感器敏感特性下降。