
产品简介:
SMD1002氨气气体传感器是基于半导体材料开发的MEMS微型气体传感器,可用于检测不同场景下氨气气体含量。
主要特点:
采用MEMS工艺,结构坚固,抗震性好,尺寸小,功耗低,灵敏度高,响应恢复快,驱动电路简单,稳定性好,寿命长。
产品说明:

|
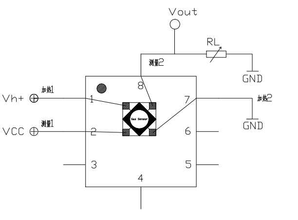
Terminal Functions |
||
|
NO. |
NAME |
DESCRIPTION |
|
1 |
HOT |
Heater |
|
2 |
HOT |
Sensor electrode |
|
3 |
NG |
/ |
|
4 |
NG |
/ |
|
5 |
NG |
/ |
|
6 |
NG |
/ |
|
7 |
RS1 |
Heater |
|
8 |
RS1 |
Sensor electrode |
产品参数
|
产品型号 |
SMD1002 |
||
|
产品类型 |
MEMS半导体传感器 |
||
|
标准封装 |
陶瓷封装 |
||
|
检测气体 |
氨气(NH3) |
||
|
检测浓度 |
0~300ppm(NH3) |
||
|
分辨率 |
1ppm |
||
|
标准电路条件 |
回路电压 |
VC |
5V or 3.3V DC |
|
加热电压 |
VH |
1.8V±0.1V DC |
|
|
负载电阻 |
RL |
可调(以出货报告为准) |
|
|
标准测试条件下气敏元件特性 |
加热电阻 |
RH |
50Ω±10Ω(室温) |
|
加热功耗 |
PH |
≤30mW |
|
|
敏感体电阻 |
RS |
500 KΩ~3000 KΩ |
|
|
灵敏度 |
S |
Rs(in air)/Rs(in 5ppm NH3)≥1.1 |
|
|
斜率 |
α |
≤0.8(R50ppm/R10ppm NH3) |
|
|
标准测试条件 |
温度、湿度 |
20℃±2℃;55%±5%RH |
|
|
标准测试电路 |
VC: 5Vor3.3V±0.1V; VH:1.8V±0.1V |
||
|
预热时间 |
30分钟 |
||
|
相应时间(T90) |
<60s |
||
|
恢复时间(T10) |
<120s |
||
|
寿命 |
≥3年 |
||
基本电路

响应曲线图
应用场景:
地下管廊中气体检测

农业养殖气体检测
注意事项:
1、 必须避免的情况
1.1 暴露于可挥发性硅化合物蒸气中
传感器要避免暴露于硅粘接剂、发胶、硅橡胶、腻子或其它存在可挥发性硅化合物的场所。如果传感器的表面吸附了硅化合物蒸气,传感器的敏感材料会被硅化合物分解形成的二氧化硅包裹,抑制传感器的敏感性,并且不可恢复。
1.2 高腐蚀性的环境
传感器暴露在高浓度的腐蚀性气体(如 H2S,SOX,Cl2,HCl 等)中,不仅会引起加热材料及传感器引线的腐蚀或破坏,并会引起敏感材料性能发生不可逆的劣变。
1.3 碱、碱金属盐、卤素的污染
传感器被碱金属尤其是盐水喷雾污染后,或暴露在卤素如氟利昂中,也会引起性能劣变。
1.4 接触到水
溅上水或浸到水中会造成传感器敏感特性下降。
1.5 结冰
水在传感器敏感材料表面结冰会导致敏感层碎裂而丧失敏感特性。
1.6 施加电压过高
如果给传感器或加热器施加的电压高于规定值,即使传感器没有受到物理损坏或破坏,也会造成引线和/或加热器损坏,并引起传感器敏感特性下降。
1.7 电压加错管脚
如果给传感器或加热和信号管脚电压加错,也会造成引线和/或加热器损坏,并引起传感器敏感特性下降。