
SQD1003一氧化碳气体传感器是基于特定半导体气敏材料开发的MEMS微型气体传感器,可用于检测不同场景下的一氧化碳气体含量,同时可以抵抗酒精等常见有机气体的干扰。
采用MEMS工艺,半导体材料,抗6000ppm酒精,尺寸小,功耗低,灵敏度高,响应恢复快,驱动电路简单,稳定性好,寿命长,结构坚固,抗震性好。
技术参数:
产品型号
SQD1003
产品类型
MEMS半导体传感器
标准封装
陶瓷封装
检测气体
一氧化碳(CO)
检测浓度
0~500ppm(一氧化碳、人工煤气)
分辨率
10ppm
工作温度
-20-55℃
工作湿度
10-95%RH
标准电路条件
MCU的I/O来输出高电平5V或者3.3V
标准电路条件
标准测试条件下气敏元件特性
加热电压1(CO)
VH1
3.3±0.1V DC
负载电阻1(CO)
RL1
可调(以出货报告为准)
加热电压2(酒精)
VH2
1.8±0.05V DC
负载电阻2(酒精)
RL2
可调(以出货报告为准)
标准测试条件下气敏元件特性
标准测试条件
加热电阻
RH
310Ω±20Ω(室温)
加热功耗
PH
≤60mW
敏感体电阻
RS
10KΩ~500KΩ(in 150ppm
CO)
灵敏度
S
R0(in
air)/Rs(in 150ppmCO)≥5
斜率
α
≤0.5(R150ppm/R30ppm(CO)
标准测试条件
温度、湿度
20℃±2℃;55%±5%RH
标准测试电路
Vcc:使用MCU的I/O来输出高电平5V或者3.3V
VH1:3.3±0.1V:VH2:1.8±0.05V
预热时间
3-5min
响应时间(T90)
<30s
恢复时间(T10)
<60s
寿命
≥3年
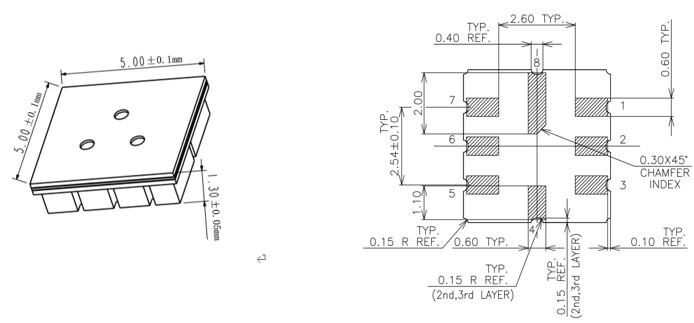
模组尺寸:

管脚定义
|
Terminal Functions |
||
|
NO. |
NAME |
DESCRIPTION |
|
1 |
HOT1+ |
Heater1 |
|
2 |
VCC |
Sensor electrode |
|
3 |
HOT2+ |
Heater2 |
|
4 |
NG |
/ |
|
5 |
NG |
/ |
|
6 |
Vout2 |
Sensor electrode |
|
7 |
HOT |
Public heating |
|
8 |
Vout1 |
Sensor electrode |
特性曲线:
注:图中所有测试均在标准测试条件下完成,Ro表示传感器在洁净空气中的稳定电阻,Rs表示传感器在一定浓度的气体氛围中的稳定电阻值,横坐标为持续通电的老化时间,纵坐标为传感器的实际电阻值
|
传感器灵敏度特性曲线 |
传感器响应恢复曲线 |
|
传感器温度校准曲线 |
传感器长期稳定性曲线 |
1.1 暴露于可挥发性硅化合物蒸气中
传感器要避免暴露于硅粘接剂、发胶、硅橡胶、腻子或其它存在可挥发性硅化合物的场所。如果传感器的表面吸附了硅化合物蒸气,传感器的敏感材料会被硅化合物分解形成的二氧化硅包裹,抑制传感器的敏感性,并且不可恢复。
1.2 高腐蚀性的环境
传感器暴露在高浓度的腐蚀性气体(如 H2S,SOX,Cl2,HCl 等)中,不仅会引起加热材料及传感器引线的腐蚀或破坏,并会引起敏感材料性能发生不可逆的劣变。
1.3 碱、碱金属盐、卤素的污染
传感器被碱金属尤其是盐水喷雾污染后,或暴露在卤素如氟利昂中,也会引起性能劣变。
1.4 接触到水
溅上水或浸到水中会造成传感器敏感特性下降。
1.5 结冰
水在传感器敏感材料表面结冰会导致敏感层碎裂而丧失敏感特性。
1.6 施加电压过高
如果给传感器或加热器施加的电压高于规定值,即使传感器没有受到物理损坏或破坏,也会造成引线和/或加热器损坏,并引起传感器敏感特性下降。
1.7 电压加错管脚
如果给传感器或加热和信号管脚电压加错,也会造成引线和/或加热器损坏,并引起传感器敏感特性下降。